YOU CAN COUNT ON OUR EXPERTISE

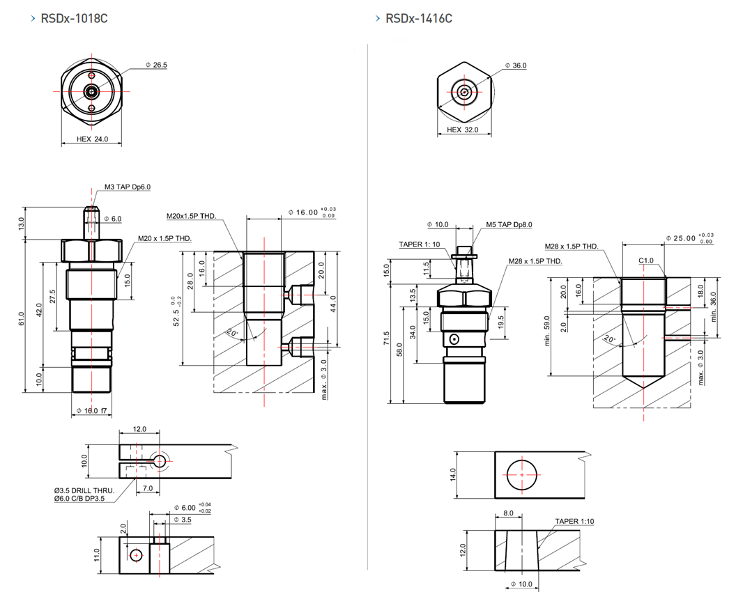
| Model No. | Type | Clamping Force(kgf) @70kgf/㎠ |
Piston Diameter(ø) |
Effective Area(㎠) |
Stroke(mm) | Oil Capacity(㎤) At Clamping |
Swing Angle Tolerance (Repeated Accuracy) |
Operating Pressure Range (kgf/㎠) |
Operating Temperature Range(℃) |
Weight (kg) |
|
|---|---|---|---|---|---|---|---|---|---|---|---|
| Swing | Straight | ||||||||||
| RSDx-1018C | Cartridge | 35 | 10 | 0.5 | 10 | 8 | 0.9 | ±2° (±0.5°) |
15~150 | 0~60 | 0.12 |
| RSDx-1416C | Cartridge | 53 | 14 | 0.75 | 8 | 8 | 1.2 | 0.29 | |||
