YOU CAN COUNT ON OUR EXPERTISE



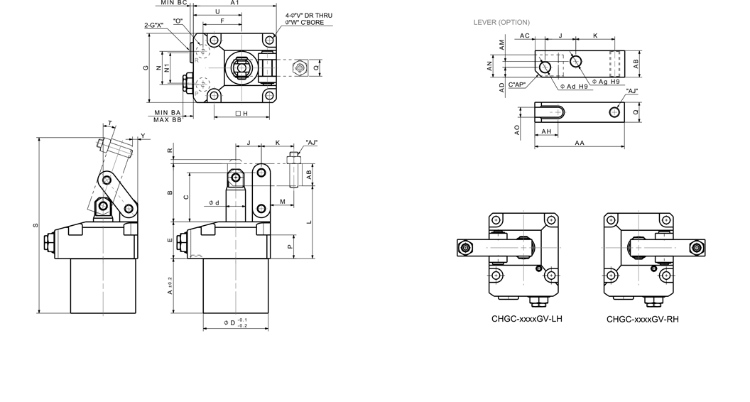
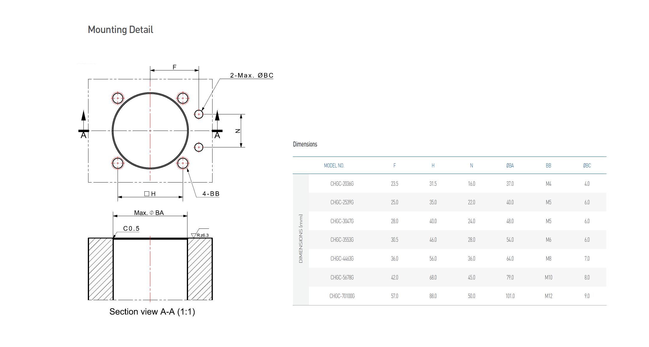
| Model No. | Type | Clamping Force(kgf) @70kgf/㎠ |
Piston Diameter(ø) |
Effective Area(㎠) |
Stroke(mm) | Oil Capacity(㎤) | Operating Pressure Range (kgf/㎠) |
Operating Temperature Range(℃) |
Weight (kg) |
||
|---|---|---|---|---|---|---|---|---|---|---|---|
| Total | Extra | Clamp(Push) | Unclamp(Pull) | ||||||||
| CHGC-2036□ | G | 167 | 20 | 3.14 | 18.5 | 2.5 | 5.8 | 4.3 | 15~70 | 0~60 | 0.66 |
| GV | 0.67 | ||||||||||
| CHGC-2539□ | G | 280 | 25 | 4.91 | 20.5 | 3 | 10.1 | 7.7 | 0.78 | ||
| GV | 0.79 | ||||||||||
| CHGC-3047□ | G | 390 | 30 | 7.07 | 23.5 | 3 | 16.6 | 13.0 | 1.08 | ||
| GV | 1.09 | ||||||||||
| CHGC-3553□ | G | 490 | 35 | 9.62 | 26 | 3 | 25.0 | 21.0 | 1.51 | ||
| GV | 1.52 | ||||||||||
| CHGC-4463□ | G | 810 | 44 | 15.2 | 29.5 | 3 | 44.8 | 38.9 | 2.64 | ||
| GV | 2.65 | ||||||||||
| CHGC-5678□ | G | 1350 | 56 | 24.62 | 36 | 3 | 88.6 | 74.4 | 4.46 | ||
| GV | 4.47 | ||||||||||
| CHGC-70100□ | G | 2020 | 70 | 38.47 | 45 | 3 | 173.1 | 145.4 | 8.63 | ||
| GV | 8.64 | ||||||||||




